Bizi Takip Edin
PV-A Değişken Frekanslı Vibrasyon Motorları
Avibro Vibrasyon MotorlarıPV-A serisi ürünler özellikle brüt beton uygulamaları için beton; Plywood ve çelik kalıplarda, perde beton, viyadükler ve benzeri demir donatısının yoğun olduğu yumuşak betonun ayrışmaya, (segregasyon) uğramadan sıkıştırılması için geliştirilmiş ideal bir vibrasyon motorudur.
PV-A serisi vibrasyon motorları,
– Bina Tünel kalıplarında
– Kolon, viyadük ve perde beton kalıplarında
– Üst yapı ve alt yapıda, beton boru kalıplarında
– Vibrasyon masalarında
Tüm yoğun donatılı ahşap ve çelik beton kalıplarında güvenilir, uzun ömürlü, rahat ve problemsiz taze betonun sıkıştırılması için kullanılır.
Tüm PV-A serisi ürünlerde:
PV-A 50 Hz - 3000 rpm / 200 Hz 6000 rpm
| Model / Type | Gövde / Size | Santrüfüj Kuvveti / Centrifugal Force (Kg/f) |
Statik Moment / Statical Moment (m¹) Kgmm |
Ağırlık / Weight (Kg) |
Giriş Gücü Input / Power (W) | Nominal Akım Nom. Current (A) |
Gerilim Voltage (V) |
Frekans Frequency (Hz) | Devir rpm |
| PV-A 400/42 | 20 | 392 | 9,7 | 8,3 | 400 | 8,7 | 42-55~ | 200 | 6000 |
| PV-A 400/230 | 20 | 311 | 30,9 | 8,3 | 400 | 113,6 | 230~ | 50 | 3000 |
| PV-A 400/400 | 20 | 387 | 38,4 | 8,3 | 400 | 1,1 | 400~ | 50 | 3000 |
| PV-A 400/115 | 20 | 374 | 9,2 | 8,3 | 400 | 3,4 | 115~ | 200 | 6000 |
PV-A 50 Hz - 3000 rpm / 200 Hz 6000 rpm-60Hz
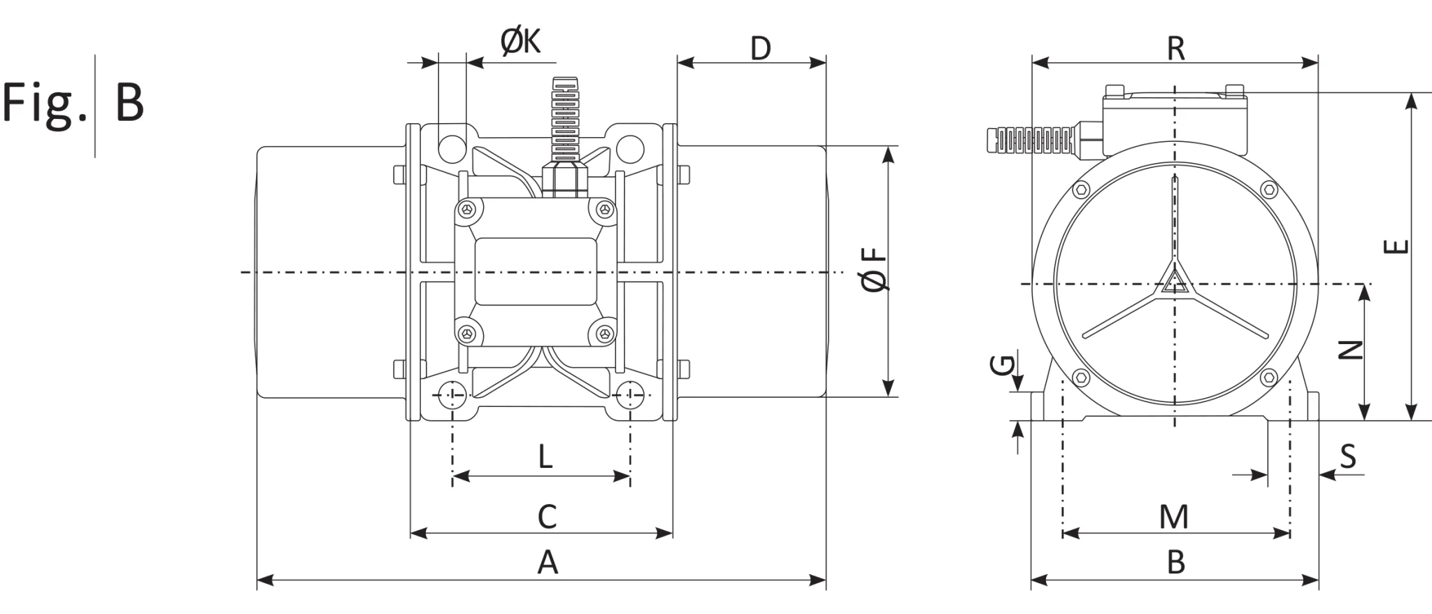
| Model / Type | Gövde / Size | Fig | A | B | C | D | E | ØF | R | L | M | ØK | K¹ | G | S | N | |
| PV-A 400/42 | 20 |
B | 289 | 150,5 | 134 | 77,5 | 172 | 128 | 150 | 90 | 125 | 13,5 | 4 | - | 14 | 27 | 71,5 |
| PV-A 400/42 | 20 |
B | 289 | 150,5 | 134 | 77,5 | 172 | 128 | 150 | 90 | 125 | 13,5 | 4 | - | 14 | 27 | 71,5 |
| PV-A 400/42 | 20 |
B | 289 | 150,5 | 134 | 77,5 | 172 | 128 | 150 | 90 | 125 | 13,5 | 4 | - | 14 | 27 | 71,5 |
| PV-A 400/42 | 20 |
B | 289 | 150,5 | 134 | 77,5 | 172 | 128 | 150 | 90 | 125 | 13,5 | 4 | - | 14 | 27 | 71,5 |
Diğer Ürünler