Bizi Takip Edin

ADX-M Endüstriyel Tip Vibrasyon Motoru

Avibro Vibrasyon Motorları

AVIBRO ayak bağlantılı vibrasyon motorlarımız, (titreşim motorları) titreşim enerjisinin gerektiği tüm endüstriyel makinaların ihtiyacını karşılayan eksiksiz ürün yelpazesine sahip üstün kaliteli ayak bağlantılı vibratör motorları sunar.

Tüm ADX Serisi ürünlerimiz yürürlükteki EEC direktiflerine makinelerin güvenliği 2006/42/AT; ve 2014/35/AB alçak gerilim yönetmeliklerinin serbest bırakıldığı temel sağlık ve güvenlik gerekliliklerine uyduğunu ve serbestçe dolaşabilme gerekliliklerini yerine getirebildiğini beyan ederiz. Üründe bir değişiklik olduğu takdirde bu kabul edilmeyecek ve bu beyan geçerliliğini yitirecektir.

AVM, AFV / AFV-M / AFV-C, AVM-D ve AVM-P Serisi vibro motorlar, değişken frekanslı sürücü (VFD özellikli inverter) ile kullanıma uygundur.


Tüm AVM ile başlayan serilerdeki ürünlerde:

II2D Ex tb IIIC (T120 °C) Zone 21 Zone 22

Ayak Montajlı Titreşim Motorları Teknik Özellikler:

3 faz giriş voltajı :
Tüm ADX Serileri için : Standart uygulamalar 50Hz 220 – 230/380-400 Volt veya 60Hz 220-240/440-480 Volt
Talep üzerine özel voltaj ve frekanslarda üretim emri verebilirsiniz.
AVM serisi vibro motorlar, değişken frekanslı sürücü (VFD özellikli inverter) ile kullanıma uygundur.

Frekans ve Devir/dakika

Tüm ADX Serileri için :
2 poles: 3000 rpm- 50 Hz 3600 rpm – 60 Hz
4 poles : 1500 rpm – 50 Hz 1800 rpm – 60 Hz

Ayak Montajlı Vibrasyon Motorları Titreşim gücünü Ayarlama

AVIBRO Vibrasyon Motorları (S1) çalışma rejimine göre en fazla titreşim elde etmeniz için tasarlanmıştır. Vibratör motoru üzerinde bulunan eksantrik ağırlıklarda bulunan derece ile titreşim kuvvetini % 0 ile % 100 arasında seçim yapmanıza olanak sağlar. Vibro motorun Her iki mil ucundaki eksantrik ağırlıkların açısının aynı olması gerekmektedir.

AVIBRO Mekanik Koruma:

Tüm ADX serisi ürünlerimiz yürürlükteki EEC Direktiflerine (makinelerin güvenliği 2006/42/AT; ve 2014/35/AB Alçak gerilim yönetmeliklerinin serbest bırakıldığı temel sağlık ve güvenlik gerekliliklerine uyduğunu ve serbestçe dolaşabilme gerekliliklerini yerine getirebildiğini beyan ederiz. Üründe bir değişiklik olduğu takdirde bu kabul edilmeyecek ve bu beyan geçerliliğini yitirecektir.

AVIBRO Elektrik Motoru İç Yapısı :

Dünyamızda çevresel etkilerin farkındayız. Bu sebeple AVIBRO en düşük kayıplı silisyum manyetik laminasyon sacları ile oluşturduğu STATOR-ROTOR tasarımı ile size rakiplerine göre daha fazla güç sunarken, ısınmayı azaltarak verimliliği artmış ürünler sunuyoruz.

AVIBRO Vibrasyon Motorları Yalıtım Sınıfı :

ADX serisi vibrasyon motorlarımız güçlü standart H sınıfı izolasyona sahiptir. Emriniz üzerine Daha güçlü izolasyon sınıfı tercih edebilirsiniz. Eksantrik ağırlık kapakları, rulman kapakları ve klemens kapakları o-ring contalar ile dış ortamda oluşan zararlara karşı mekanik korumalıdır. Klemens kutusu içerisinde dışardan sızmalara ve titreşime karşı kırılmalara karşı Epoksi reçine ile korunmaktadır. IP 65-7

AVIBRO Vibrasyon Motorları Çalışma Ortam Sıcaklığı :

ADX Serisi ürünler için -20 C° ile +40 C° ( -4 F ile 104 C° )

AVIBRO Vibrasyon Motorları Termik Isınma :

ADX serisi ürünler için, standart termistör uygulamamız henüz bulunmamaktadır. Emriniz üzerine AVM serisi ürünlerde 130 C PTC Uygulama sunuyoruz.

AVIBRO Vibrasyon Motorları Gövde ve Dönen Mil (rotor şaft)

ADX serisi, diğer tüm serilerde ve yeni ürünler için, ürün gövdeleri ve rulman kapakları 3 boyutlu CAD program üzerinde stres analizleri yapılmaktadır. Sonrasında 50 yapı büyüklüğünde ki gövde ve rulman kapaklarımızı özel alaşımlı alüminyum enjeksiyon 60 ile 110 yapı büyüklüğünde ki gövde ve rulman kapaklarımızı yüksek dirençli GGG 40 Sfero dökme demirden imal ediyoruz.
Dönen millerimiz (rotor şaft), ısıl işlem görmüş burulma ve kopmaya yüksek dirençli NiCrMo özel çelik yuvarlak hammadde kullanıyoruz.

AVIBRO Vibrasyon Motorları Boya Uygulamamız

ADX Serisi ürünlerimizi nerdeyse tamamında elektro statik epoksi toz boya kullanıyoruz.
Gövde renk : Turuncu
Tas koruma kapakları renk : Turuncu

AVIBRO Vibrasyon Motorları Rulmanlar ve Yağlama

AVIBRO vibratör motorları standart ürünlerin tamamında C4 boşluklu uzun ömürlü titreşim için üretilmiş rulmanlar kullanmaktadır. Böylece müşterilerimize uzun ömürlü vibrasyon motorları üretmekteyiz. Vibro motor rulmanlarımız için uzun ömürlü, yüksek merkez kaç kuvvetleri ile titreşimin oluşturduğu stres, rulman iç tanelerine gelen yüklerden oluşabilecek aşınmalara karşı yüksek mukavemetli gres yağları kullanmaktayız. Rulman yataklarında gresin uzaklaşmadan çalışması için labirent tip kanallar ile yağ keçeleri kullanıyoruz.

AVIBRO Vibrasyon Motorları Özel Sipariş

Ön ısıtıcılar
Paslanma tas koruma kapakları Cr
Özel uygulamalarınız için farklı ayak bağlantılı delikler
Tamamen size vibro motor, özel tasarım imalatlar
sunmaktayız.

ADX-M 2 poles 3000 rpm-50Hz / 3600 rpm-60Hz

Model / Type Gövde / Size Fig Santrifüj Kuvveti /
Centrifugal Force
(Kg/F) 50Hz
Santrifüj Kuvveti /
Centrifugal Force
(Kg/F) 60Hz
Santrifüj Kuvveti /
Centrifugal Force
(Kg/F) 50Hz
Santrifüj Kuvveti /
Centrifugal Force
(Kg/F) 60Hz
(*) Statik Moment / Statical Moment (Kgmm) 50Hz (*) Statik Moment /
Statical Moment (Kgmm) 60Hz
Ağırlık / Weight
(Kg) 50Hz
Ağırlık / Weight
(Kg) 60Hz
Giriş Gücü / Input Power (W) 50Hz Giriş Gücü / Input Power (W) 60Hz Nominal Akım / Nom. Current
(A) 400V 50Hz
Nominal Akım / Nom. Current
(A) 460V 60Hz
IA / IN
50Hz 220V 50Hz
IA / IN
60Hz 115V 60Hz
ADX-M 300/3 20 B 323 311 3,16 3,05 32,1 30,9 11,8 11,1 280 280 1,25 2,40 2,48 3,52
ADX-M 500/3 30A A* 565 591 5,54 5,79 56,2 58,7 17,1 16,2 500 500 2,30 4,50 3,35 4,22
ADX-M 800/3 40A B 797 866 7,81 8,49 79,2 59,8 29,8 29,2 700 750 3,25 7,00 4,00 4,14

 

ADX-M 2 poles 3000 rpm-50Hz / 3600 rpm-60Hz

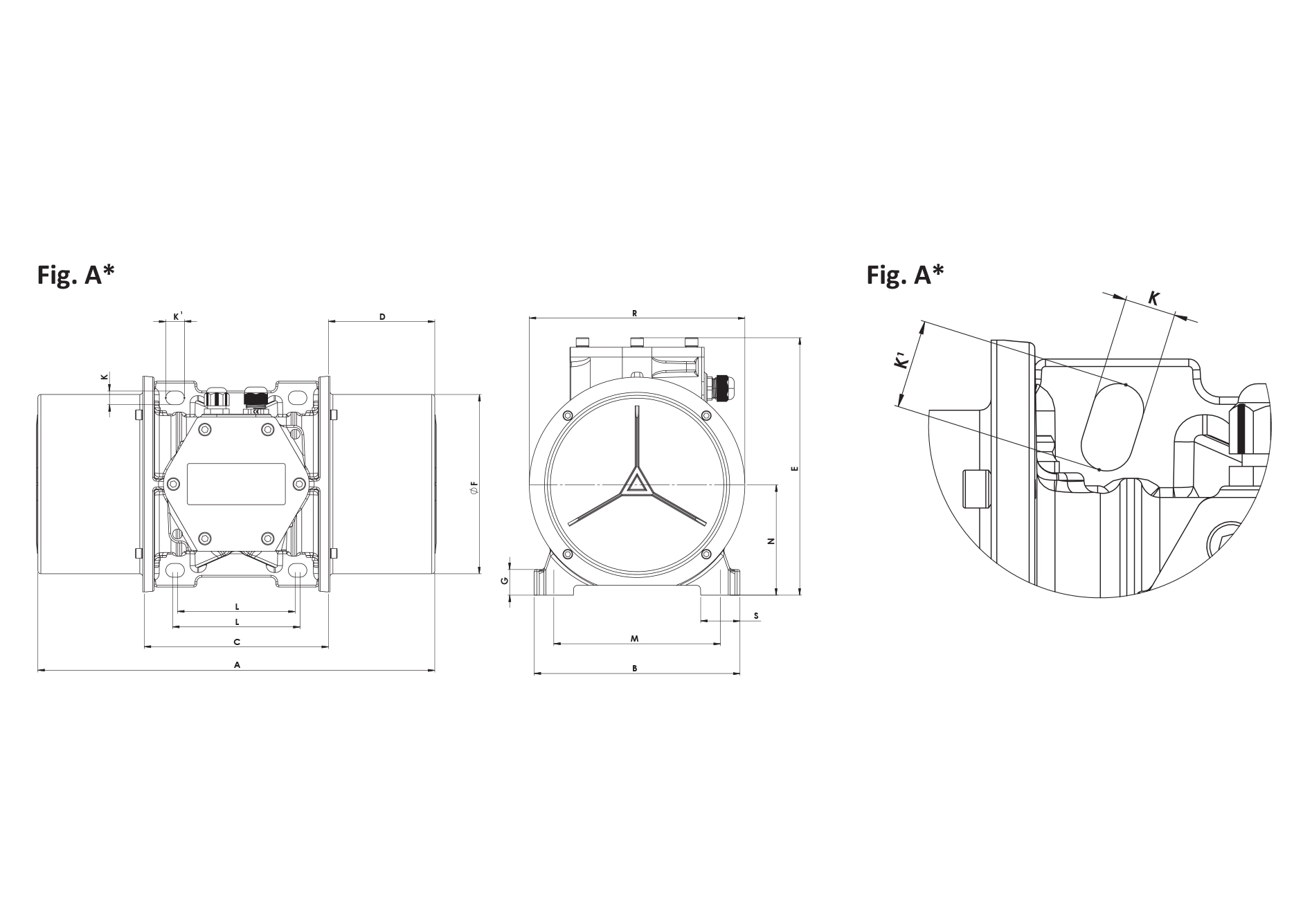
Model / Type Gövde / Size Fig A B C D E ØF R L M ØK ØK G S N
ADX-M 300/3 20 B 289 150,5 134 77,5 213,5 128 150 90 125 13,5 4 - 20 27 74,5
ADX-M 500/3 30A A* 286 190 153 66,5 240,5 155 185 100÷105 140÷160 12 4 22,5 22 38 93,5
ADX-M 800/3 40A B 363 M 188 87,5 263 183 220 120 170 17 4 - 26 37 112,5

 

AVM 4 poles 1500 rpm-50Hz / 1800 rpm-60Hz

Model / Type Gövde / Size Fig Santrifüj Kuvveti /
Centrifugal Force
(Kg/F) 50Hz
Santrifüj Kuvveti /
Centrifugal Force
(Kg/F) 60Hz
Santrifüj Kuvveti /
Centrifugal Force
(Kg/F) 50Hz
Santrifüj Kuvveti /
Centrifugal Force
(Kg/F) 60Hz
(*) Statik Moment / Statical Moment (Kgmm) 50Hz (*) Statik Moment /
Statical Moment (Kgmm) 60Hz
Ağırlık / Weight
(Kg) 50Hz
Ağırlık / Weight
(Kg) 60Hz
Giriş Gücü / Input Power (W) 50Hz Giriş Gücü / Input Power (W) 60Hz Nominal Akım / Nom. Current
(A) 400V 50Hz
Nominal Akım / Nom. Current
(A) 460V 60Hz
IA / IN
50Hz 220V 50Hz
IA / IN
60Hz 115V 60Hz
ADX-M 200/15 20 B 210 207 2,06 2,03 83,5 57,1 13,8 12,7 210 230 1,00 2,00 1,50 1,85
ADX-M 400/15 30B A* 421 439 4,13 4,30 167,4 121,2 20,1 18,7 240 320 1,20 2,80 2,50 2,50
ADX-M 520/15 30B A* 546 609 5,35 5,97 217,1 168,1 21,5 20,1 240 320 1,20 2,80 2,50 2,50
ADX-M 750/15 40B B 743 700 7,29 6,86 295,4 193,2 34,5 32,0 450 550 2,15 5,15 5,44 3,63

 

AVM 4 poles 1500 rpm-50Hz / 1800 rpm-60Hz

Model / Type Gövde / Size Fig A B C D E ØF R L M ØK ØK G S N
ADX-M 200/15 20 B 289 150,5 134 77,5 213,5 128 150 90 125 13,5 4 - 20 27 74,5
ADX-M 400/15 30B A* 322 190 153 84,5 240,5 155 185 100÷105 140÷160 12 4 22,5 22 38 93,5
ADX-M 520/15 30B A* 322 190 153 84,5 240,5 155 185 100÷105 140÷160 12 4 22,5 22 38 93,5
ADX-M 750/15 40B B 405 210 188 108,5 263 183 220 120 170 17 4 - 26 37 112,5

Diğer Ürünler

Konya Motor Logo

0 332 345 19 19

© 2025 Konya Motor | Her Hakkı Saklıdır.