Подписывайтесь на нас
KVM/PV Serisi
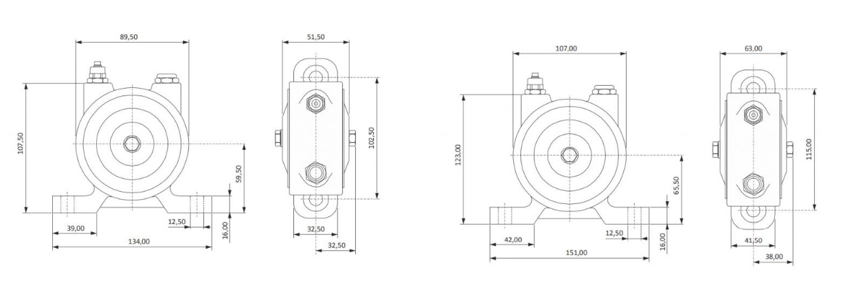
Kem-P Vibrasyon MotorlarıKem-P PV Serisi Vibrasyon Motorları 4 - 8 bar arasında hava basıncı ve 4000 - 9000 rpm aralığında, 69 kgf ile 161 kgf arası santrifüj kuvveti sağlayan pnömatik (havalı) vibrasyon motorlarıdır. Kem-P KVM/PV Serisi Vibrasyon Motorları IP65 koruma sınıfına sahiptir.
II 2D Ex tb IIIB T 120°C Db - IP 66
| Model | 4 bar | 5 bar | 6 bar | 7 bar | 8 bar | Weight [kg] |
||||||||||
| rpm | S.K C.F [ kg/f] | Hava Cons. [m³/dk] | rpm | S.K C.F [kg/f] | Hava Cons. [m³/dk] | rpm | S.K C.F [kg/f] | Hava Cons. [m³/dk] | rpm | S.K C.F [kg/f] | Hava Cons. [m³/dk] | rpm | S.K C.F [kg/f] | S.K C.F [kg/f] | ||
| KVM-PV-03-001 | 6600 | 69 | 0,4 | 7200 | 82 | 0,54 | 7900 | 98 | 0,64 | 8500 | 114 | 0,71 | 9000 | 128 | 0,86 | 1,9 |
| KVM-PV-04-001 | 4000 | 72 | 0,53 | 4500 | 91 | 0,64 | 5100 | 117 | 0,73 | 5600 | 141 | 0,86 | 6000 | 161 | 1,00 | 3,0 |