KVM-PA Series
Kem-P Vibrasyon MotorlarıIt is a vibration motor designed for the compaction of concrete mortar on all surfaces, especially for gross concrete applications. Kem-P KVM/PA Series Construction Vibration Motors are reliable, long-lasting and reliable in tunnel formwork, columns and beams, superstructure and substructure, concrete pipe, refractory industry, prestressed concrete formworks, vibration tables, all densely reinforced formworks and all kinds of precast production. It is a vibration motor for comfortable and problem-free concrete compaction applications. Specially designed fasteners (quick-fit clamps) reduce installation and repositioning time. They are high-frequency electric vibration motors used in both prefabrication facilities and construction sites. It allows you to achieve the best results in concrete compaction. Kem-P KVM/PA Series Construction vibration motors, preferred for their high working efficiency and ease of installation, have ATEX II 2D Ext b IIIC T 120C Db and IP66 certificates for applications in hazardous environments with flammable and explosive dust.
| Type | Operating Voltage | Current Input |
Voltage Output | Current Output | Number Of Sockets |
|---|---|---|---|---|---|
| FK-A 50/4 | 380 V / 50Hz | 6 Amp | 42 - 55 V | 50 Amp | 4 |
| FK-A 76/6 | 380 V / 50Hz | 9 Amp | 42 - 55 V | 75 Amp | 6 |
| FK-A 100/8 | 380 V / 50Hz | 15 Amp | 42 - 55 V | 100 Amp | 8 |
| FK-A 125/10 | 380 V / 50Hz | 19 Amp | 42 - 55 V | 125 Amp | 10 |
| Type | Size | II 2D Class |
rpm |
Centrifugal Force (Kg) |
Centrifugal Force (Kn) |
Weight (Kg) |
Input Power (V) |
Voltage ( W ) |
Frequency (Hz) |
Nom. Current (A) |
|---|---|---|---|---|---|---|---|---|---|---|
| KVM-PA 400/42 | 02 | 120° | 6000 | 383 | 3,757 | 8,5 | 400 | 42-55~ | 200 | 9 |
| KVM-PA 400/230 | 02 | 120° | 3000 | 293 | 2,874 | 8,5 | 400 | 230~ | 50 | 117,5 |
| KVM-PA 400/400 | 02 | 120° | 3000 | 365 | 3,581 | 8,5 | 400 | 400~ | 50 | 1,3 |
| KVM-PA 400/115 | 02 | 120° | 6000 | 350 | 3,434 | 8,5 | 400 | 115~ | 200 | 3,7 |
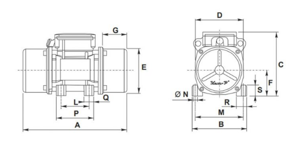
| Overall Dimensions (mm) | Overall Dimensions (mm) | |||||||||||||||
|---|---|---|---|---|---|---|---|---|---|---|---|---|---|---|---|---|
| Type | Size | Rif | A | B | C | D | ØE | F | G | L | M | ØN | P | Q | R | S |
| KVM-PA 400/42 | 02 | 1 | 300 | 153 | 182 | 135 | 123 | 72 | 74,5 | 90 | 125 | 13,5 | 117 | 27 | 27 | 30 |
| KVM-PA 400/230 | 02 | 1 | 300 | 153 | 182 | 135 | 123 | 72 | 74,5 | 90 | 125 | 13,5 | 117 | 27 | 27 | 30 |
| KVM-PA 400/400 |
02 | 1 | 300 | 153 | 182 | 135 | 123 | 72 | 74,5 | 90 | 125 | 13,5 | 117 | 27 | 27 | 30 |
| KVM-PA 400/115 | 02 | 1 | 300 | 153 | 182 | 135 | 123 | 72 | 74,5 | 90 | 125 | 13,5 | 117 | 27 | 27 | 30 |