AFV / AFV-M Series Flange Mounted Vibration Motors
Avibro Vibrasyon MotorlarıAVIBRO AFV / AFV-EC / AFV-C Series flange-mounted vibration motors offer a full range of high-quality flange-mounted vibrator motors that meet the needs of all industrial machines where vibration energy is required.
Dairesel titreşimin gerektiği Çapak alma makinalarında, dairesel titreşimli eleklerde, parçaların üzerinden yağ almada, kurutma makinaların da, parlatma makinalarında, seramik sektöründe, sır eleklerinde, dairesel titreşimin gerektirdiği sayısız makinalarda kullanılmaktadır.
Three-Phase Input Voltage:
We hereby declare that All AFV / AFV-EC / AFV-C Series goods are manufacturing in compliance with regulations envisioned by EEC( Machine directive 2006/42/EC Directive 2006/42/EC of the European Parliament and of the Council of 17 May 2006 on machinery, and amending Directive 95/16/EC (recast) AND 2014/35/EU Directive 2014/35/EU of the European Parliament and of the Council of 26 February 2014 on the harmonisation of the laws of the Member States relating to the making available on the market of electrical equipment designed for use within certain voltage limits (recast). *Decleration will loose its validity if there will be any change by product. AVM AFV / AFV-EC / AFV-C Series vibration motors can be operated by variable Frequency inverters (VFD featured). Isolation class of all AFV / AFV-EC / AFV-C Series flange-mounted vibration motors are IP6X
For all AFV / AFV-EC / AFV-C Series :
2 poles : 3000 rpm 50 Hz 3600 rpm- 60 Hz
4 poles : 1500 rpm 50 Hz 1800 rpm- 60 Hz
6 poles : 1000 rpm- 50 Hz 1200 rpm- 60 Hz
AVIBRO Vibration motors are designed for gaining most vibration according to working regime S1. Thanks to degress on both end Masses from %0 to %100 you can adjust requied vibration force. Eccentric masses on both side ends of shaft must be at same degrees.
We are highly aware of enviromental pollution in our Planet. We are highly aware of enviromental pollution in our Planet. For this reason, AVIBRO offers you more power compared to its competitors with the STATOR-ROTOR design created with the lowest loss silicon magnetic lamination sheets, while offering products with increased efficiency by reducing heating.
AFV / AFV-EC / AFV-C series vibration motors have powerful standard H class insulation. On demand, you can choose a stronger insulation class. Eccentric weight covers, bearing covers and terminal covers are mechanically protected against external damage with o-ring seals. Inside the terminal box, it is protected by Epoxy resin against breakage against leakage and vibration.
For AFV / AFV-EC / AFV-C Series -20 C +40 C ( -4 F 104 F )
For AFV / AFV-EC / AFV-C series products, we do not have a standard thermistor application. We offer 130 C PTC Application on AFV / AFV-EC / AFV-C series products on demand.
For AFV / AFV-EC / AFV-C series, all other series and new products, stress analyzes are performed on the product bodies and bearing covers on the 3D CAD program. Afterwards, we manufacture our 50 frame size body and bearing covers, our special alloy aluminum injection molding 60 and 110 structure size body and bearing covers from high resistant GGG 40 ductile cast iron. Our rotating shafts (rotor shaft) use NiCrMo special steel round raw material with high resistance to torsion and rupture with heat treatment.
We use electrostatic epoxy powder paint in almost all of our AVM-D Series products. Body color code : Orange
Side Covers color Code: Orange
AVIBRO vibrator motors use bearings with C4 backlash produced for long-lasting vibration in all standard products. Thus, we produce long-lasting vibration motors for our customers. For our vibration motor bearings, we use long-lasting, high-strength greases against high centrifugal forces, stress caused by vibration, and abrasions that may occur from loads on bearing internal grains. We use labyrinth type channels and oil seals to ensure that the grease runs in the bearings without any leakage.
Pre-heaters
Stainless side covers Cr
Different foot-prints for your special applications
design productions
2 poles 3000 rpm-50 Hz / 3600 rpm - 60 Hz
| Model / Type | Gövde / Size | Üst Ağırlık Santrüfüj Kuvveti Top Weight Centrifugal Force ( Kg/F ) 50 Hz | Üst Ağırlık Santrüfüj Kuvveti Top Weight Centrifugal Force ( Kg/F ) 60 Hz | Alt Ağırlık Santrüfüj Kuvveti Bottom Weight Centrifugal Force (50 Hz) | Alt Ağırlık Santrüfüj Kuvveti Bottom Weight Centrifugal Force (60 Hz) | Ağırlık / Weight (Kg) 50Hz |
Ağırlık / Weight (Kg) 60Hz |
Giriş Gücü Input / Power (W) 50 Hz | Giriş Gücü Input / Power (W) 60 Hz | Nominal Akım / Nom. Current (A) 220 V 50 Hz | Nominal Akım / Nom. Current (A) 115 V 60 Hz |
| AFV 65/3 | 10 | 30 | 43 | 30 | 43 | 5,0 | 5,0 | 0,27 | 0,23 | 3,43 | 3,90 |
| AFV 200/3 | 10 | 108 | 111 | 78 | 111 | 7,8 | 7,5 | 0,35 | 0,30 | 2,68 | 3,00 |
| AFV 300/3 | 20 | 153 | 149 | 104 | 149 | 11,5 | 11,2 | 0,60 | 0,50 | 3,47 | 4,20 |
| AFV 500/3 | 30 | 253 | 232 | 165 | 232 | 16,0 | 15,0 | 0,80 | 0,75 | 4,21 | 4,80 |
| AFV 650/3 | 30 | 390 | 375 | 255 | 234 | 18,0 | 17,3 | 0,80 | 0,75 | 4,21 | 4,80 |
| AFV 800/3 | 40 | 395 | 378 | 262 | 378 | 18,5 | 17,5 | 1,10 | 1,00 | 3,83 | 6,00 |
| AFV 1100/3 | 40 | 592 | 565 | 592 | 565 | 28,0 | 27,0 | 1,70 | 1,60 | 6,79 | 7,00 |
| AFV-M 65/3 | 10 | 40 | 39 | 40 | 39 | 7,0 | 6,5 | 0,56 | 1,52 | 2,24 | 2,24 |
| AFV-M 200/3 | 10 | 105 | 108 | 73 | 108 | 15,0 | 14,3 | 0,75 | 1,52 | 1,67 | 2,24 |
| AFV-M 300/3 | 20 | 206 | 205 | 141 | 205 | 21,0 | 20,1 | 1,25 | 2,40 | 2,48 | 3,52 |
| AFV-M 500/3 | 30 | 278 | 298 | 206 | 298 | 22,0 | 20,6 | 2,30 | 4,50 | 3,35 | 4,22 |
| AFV-M 650/3 | 30 | 361 | 381 | 264 | 381 | 27,0 | 25,5 | 2,30 | 4,50 | 3,35 | 4,22 |
| AFV-M 800/3 | 40 | 525 | 490 | 525 | 490 | 38,0 | 33,0 | 3,25 | 7,00 | 4,00 | 4,14 |
2 poles 3000 rpm-50 Hz / 3600 rpm - 60 Hz
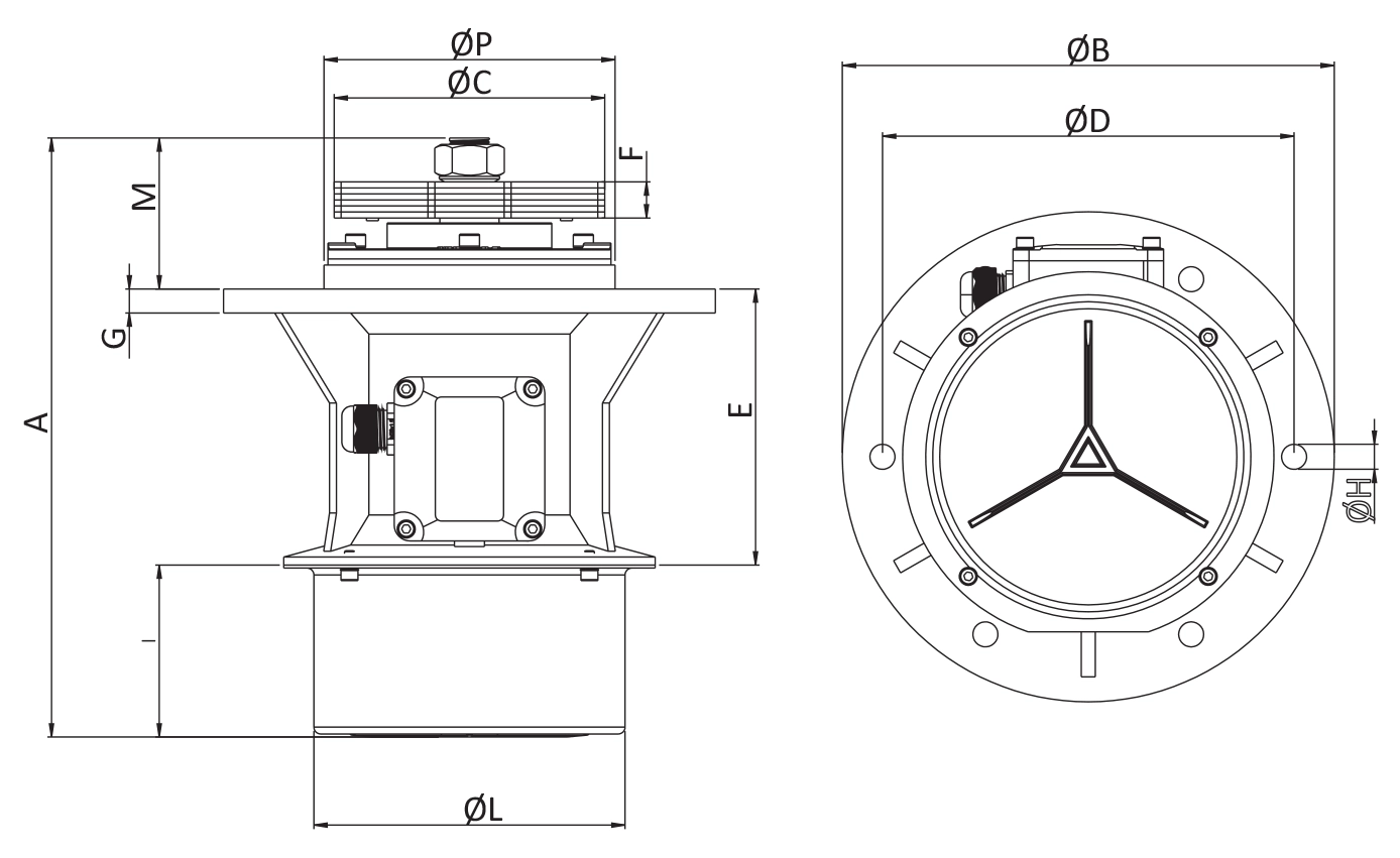
| Model / Type | Gövde / Size | A | ØB | ØC | ØD | ØH | N | E | F | G | QI | ØK | L | M | ØP | KABLO RAKORU / CABLE GLAND |
| AFV 65/3 | 10 | 221.5 | 211 | 93.5 | 188 | 12.5 | 4 | 98 | 6 | 10 | 10 | 65 | 107 | 60.5 | 98 | PG 11 |
| AFV 200/3 | 10 | 221.5 | 211 | 93.5 | 188 | 12.5 | 4 | 98 | 21 | 10 | 10 | 65 | 107 | 60.5 | 98 | PG 11 |
| AFV 300/3 | 20 | 265.5 | 215 | 120 | 188 | 12.5 | 4 | 129 | 15 | 12 | 12 | 79 | 128 | 67.5 | 120 | PG 11 |
| AFV 500/3 | 30 | 281.5 | 245 | 135 | 205 | 12.5 | 6 | 138 | 18 | 12 | 12 | 68 | 155 | 75.5 | 145 | PG 11 |
| AFV 650/3 | 30 | 281.5 | 245 | 135 | 205 | 12.5 | 6 | 138 | 27 | 12 | 12 | 68 | 155 | 75.5 | 145 | PG 11 |
| AFV 800/3 | 40 | 387 | 290 | 147.5 | 250 | 16.5 | 6 | 176 | 20 | 12 | 12 | 102.5 | 244 | 96 | 170 | M20X1,5 |
| AFV 1100/3 | 40 | 406 | 290 | 169 | 250 | 16.5 | 6 | 176 | 20 | 12 | 12 | 102.5 | 244 | 115 | 170 | M20X1,5 |
| AFV-M 65/3 | 10 | 221.5 | 211 | 93.5 | 188 | 12.5 | 4 | 98 | 6 | 10 | 10 | 65 | 107 | 60.5 | 98 | PG 11 |
| AFV-M 200/3 | 10 | 221.5 | 215 | 93.5 | 188 | 12.5 | 4 | 98 | 21 | 10 | 10 | 65 | 107 | 60.5 | 98 | PG 11 |
| AFV-M 300/3 | 20 | 265.5 | 245 | 12 0 | 188 | 12.5 | 4 | 129 | 15 | 12 | 12 | 79 | 128 | 67.5 | 120 | PG 11 |
| AFV-M 500/3 | 30 | 281.5 | 245 | 135 | 205 | 12.5 | 6 | 138 | 18 | 12 | 12 | 68 | 155 | 75.5 | 145 | PG 11 |
| AFV-M 650/3 | 30 | 281.5 | 290 | 135 | 205 | 12.5 | 6 | 138 | 27 | 12 | 12 | 68 | 155 | 75.5 | 145 | PG 11 |
| AFV-M 800/3 | 40 | 387 | 290 | 147.5 | 250 | 16.5 | 6 | 176 | 20 | 12 | 12 | 102.5 | 244 | 96 | 170 | M20X1,5 |
4 poles 1500 rpm-50 Hz / 1800 rpm - 60 Hz
| Model / Type | Gövde / Size | Üst Ağırlık Santrüfüj Kuvveti Top Weight Centrifugal Force ( Kg/F ) 50 Hz | Üst Ağırlık Santrüfüj Kuvveti Top Weight Centrifugal Force ( Kg/F ) 60 Hz | Alt Ağırlık Santrüfüj Kuvveti Bottom Weight Centrifugal Force (50 Hz) | Alt Ağırlık Santrüfüj Kuvveti Bottom Weight Centrifugal Force (60 Hz) | Ağırlık / Weight (Kg) 50Hz |
Ağırlık / Weight (Kg) 60Hz |
Giriş Gücü Input / Power (W) 50 Hz | Giriş Gücü Input / Power (W) 60 Hz | Nominal Akım / Nom. Current (A) 220 V 50 Hz | Nominal Akım / Nom. Current (A) 115 V 60 Hz | A / INnt (A) 220v - 50Hz |
IA / INnt (A) 220v - 60Hz |
| AFV 80/15 | 10 | 40 | 39 | 40 | 39 | 7,0 | 6,5 | 85 | 95 | 0,33 | 0,33 | 1,78 | 1,95 |
| AFV 200/15 | 20 | 105 | 108 | 73 | 108 | 15,0 | 14,3 | 170 | 170 | 0,24 | 0,20 | 2,34 | 2,75 |
| AFV 400/15 | 30 | 206 | 205 | 141 | 205 | 21,0 | 20,1 | 300 | 350 | 0,41 | 0,40 | 3,33 | 3,50 |
| AFV 550/15 | 30 | 278 | 298 | 206 | 298 | 22,0 | 20,6 | 300 | 350 | 0,60 | 0,60 | 3,33 | 3,50 |
| AFV 700/15 | 40 | 361 | 381 | 264 | 381 | 27,0 | 25,5 | 525 | 665 | 0,60 | 0,60 | 3,48 | 3,43 |
| AFV 1100/15 | 40 | 525 | 490 | 525 | 490 | 38,0 | 33,0 | 900 | 1050 | 1,45 | 1,50 | 4,10 | 4,20 |
| AFV 1710/15 | 50 | 895 | 321 | 878 | 354 | 45,5 | 42,5 | 1100 | 1200 | 1,45 | 1,50 | 4,29 | 4,89 |
| AFV 2000/15 | 50 | 1020 | 358 | 1020 | 392 | 47,0 | 46,5 | 1350 | 1450 | 2,00 | 1,90 | 4,30 | 4,90 |
| AFV-M 80/15 | 10 | 40 | 39 | 40 | 39 | 7,0 | 6,5 | 90 | 100 | 0,43 | 1,00 | 1,20 | 1,30 |
| AFV-M 200/15 | 20 | 105 | 108 | 73 | 108 | 15,0 | 14,3 | 210 | 230 | 1,00 | 2,00 | 1,50 | 1,85 |
| AFV-M 400/15 | 30 | 206 | 205 | 141 | 205 | 21,0 | 20,1 | 240 | 320 | 1,20 | 2,80 | 2,50 | 2,50 |
| AFV-M 550/15 | 30 | 278 | 298 | 206 | 298 | 22,0 | 20,6 | 240 | 320 | 1,20 | 2,80 | 2,50 | 2,50 |
| AFV-M 700/15 | 40 | 361 | 381 | 264 | 381 | 27,0 | 25,5 | 450 | 550 | 2,15 | 5,15 | 5,44 | 3,63 |
4 poles 1500 rpm-50 Hz / 1800 rpm - 60 Hz
| Model / Type | Gövde / Size | A | ØB | ØC | ØD | ØH | N | E | F | G | QI | L | M | ØP | KABLO RAKORU / CABLE GLAND |
| AFV 80/15 | 10 | 232.5 | 211 | 93.5 | 188 | 12.5 | 4 | 98 | 33 | 10 | 65 | 107 | 71.5 | 98 | PG 11 |
| AFV 200/15 | 20 | 288 | 215 | 120 | 188 | 12.5 | 4 | 129 | 42 | 12 | 79 | 128 | 80 | 120 | PG 11 |
| AFV 400/15 | 30 | 305.5 | 245 | 148 | 188 | 12.5 | 6 | 138 | 42 | 12 | 86 | 155 | 81.5 | 145 | PG 11 |
| AFV 550/15 | 30 | 322 | 245 | 148 | 205 | 12.5 | 6 | 138 | 57 | 12 | 86 | 155 | 98 | 145 | PG 11 |
| AFV 700/15 | 40 | 406 | 290 | 158 | 205 | 16.5 | 6 | 176 | 60 | 12 | 102.5 | 244 | 115 | 170 | M20X1,5 |
| AFV 1100/15 | 40 | 406 | 290 | 178 | 250 | 16.5 | 6 | 176 | 60 | 12 | 102.5 | 244 | 115 | 170 | M20X1,5 |
| AFV 1710/15 | 50 | 485.5 | 290 | 203 | 250 | 16.5 | 6 | 214 | 70 | 12 | 129 | 284 | 132.5 | 180 | M20X1,5 |
| AFV 2000/15 | 50 | 485.5 | 290 | 203 | 250 | 16.5 | 6 | 214 | 80 | 12 | 129 | 284 | 132.5 | 180 | M20X1,5 |
| AFV-M 80/15 | 10 | 232.5 | 211 | 93.5 | 188 | 12.5 | 4 | 98 | 33 | 10 | 65 | 107 | 71.5 | 98 | PG 11 |
| AFV-M 200/15 | 20 | 288 | 215 | 120 | 188 | 12.5 | 4 | 129 | 42 | 12 | 79 | 128 | 80 | 120 | PG 11 |
| AFV-M 400/15 | 30 | 305.5 | 245 | 148 | 188 | 12.5 | 6 | 138 | 42 | 12 | 86 | 155 | 81.5 | 145 | PG 11 |
| AFV-M 550/15 | 30 | 322 | 245 | 148 | 205 | 12.5 | 6 | 138 | 57 | 12 | 86 | 155 | 98 | 145 | PG 11 |
| AFV-M 700/15 | 40 | 406 | 290 | 158 | 205 | 16.5 | 6 | 176 | 60 | 12 | 102.5 | 244 | 115 | 170 | M20X1,5 |
AFV 2 poles 3000 rpm-50 Hz / 3600 rpm - 60 Hz
| Model / Type | Gövde / Size | Üst Ağırlık Santrüfüj Kuvveti Top Weight Centrifugal Force ( Kg/F ) 50 Hz | Üst Ağırlık Santrüfüj Kuvveti Top Weight Centrifugal Force ( Kg/F ) 60 Hz | Alt Ağırlık Santrüfüj Kuvveti Bottom Weight Centrifugal Force (50 Hz) | Alt Ağırlık Santrüfüj Kuvveti Bottom Weight Centrifugal Force (60 Hz) | Ağırlık / Weight (Kg) 50Hz |
Ağırlık / Weight (Kg) 60Hz |
Giriş Gücü Input / Power (W) 50 Hz | Giriş Gücü Input / Power (W) 60 Hz | Nominal Akım / Nom. Current (A) 220 V 50 Hz | Nominal Akım / Nom. Current (A) 115 V 60 Hz | A / INnt (A) 220v - 50Hz |
IA / INnt (A) 220v - 60Hz |
| AFV 65/3 | 10 | 30 | 43 | 30 | 43 | 5,0 | 5,0 | 120 | 120 | 0,27 | 0,23 | 3,43 | 3,90 |
| AFV 200/3 | 10 | 108 | 111 | 78 | 111 | 7,8 | 7,5 | 180 | 180 | 0,35 | 0,30 | 2,68 | 3,00 |
| AFV 300/3 | 20 | 153 | 149 | 104 | 149 | 11,5 | 11,2 | 260 | 270 | 0,60 | 0,50 | 3,47 | 4,20 |
| AFV 500/3 | 30 | 253 | 232 | 165 | 232 | 16,0 | 15,0 | 450 | 500 | 0,80 | 0,75 | 4,21 | 4,80 |
| AFV 650/3 | 30 | 390 | 375 | 255 | 234 | 18,0 | 17,3 | 450 | 500 | 0,80 | 0,75 | 4,21 | 4,80 |
| AFV 800/3 | 40 | 395 | 378 | 262 | 378 | 18,5 | 17,5 | 650 | 685 | 1,10 | 1,00 | 3,83 | 6,00 |
| AFV 1100/3 | 40 | 592 | 565 | 592 | 565 | 28,0 | 27,0 | 940 | 1130 | 1,70 | 1,60 | 6,79 | 7,00 |
AFV 2 poles 3000 rpm-50 Hz / 3600 rpm - 60 Hz
| Model / Type | Gövde / Size | A | ØB | ØC | ØD | ØH | N | E | F | G | QI | L | M | ØP | KABLO RAKORU / CABLE GLAND |
| AFV 65/3 | 10 | 221.5 | 211 | 93.5 | 188 | 12.5 | 4 | 98 | 6 | 10 | 65 | 107 | 60.5 | 98 | PG 11 |
| AFV 200/3 | 10 | 221.5 | 211 | 93.5 | 188 | 12.5 | 4 | 98 | 21 | 10 | 65 | 107 | 60.5 | 98 | PG 11 |
| AFV 300/3 | 20 | 265.5 | 215 | 120 | 188 | 12.5 | 4 | 129 | 15 | 12 | 79 | 128 | 67.5 | 120 | PG 11 |
| AFV 500/3 | 30 | 281.5 | 245 | 135 | 205 | 12.5 | 6 | 138 | 18 | 12 | 68 | 155 | 75.5 | 145 | PG 11 |
| AFV 650/3 | 30 | 281.5 | 245 | 135 | 205 | 12.5 | 6 | 138 | 27 | 12 | 68 | 155 | 75.5 | 145 | PG 11 |
| AFV 800/3 | 40 | 387 | 290 | 147.5 | 250 | 16.5 | 6 | 176 | 20 | 12 | 102.5 | 244 | 96 | 170 | M20X1,5 |
| AFV 1100/3 | 40 | 406 | 290 | 169 | 250 | 16.5 | 6 | 176 | 20 | 12 | 102.5 | 244 | 115 | 170 | M20X1,5 |
4 poles 1500 rpm-50 Hz / 1800 rpm - 60 Hz
| Model / Type | Gövde / Size | Üst Ağırlık Santrüfüj Kuvveti Top Weight Centrifugal Force ( Kg/F ) 50 Hz | Üst Ağırlık Santrüfüj Kuvveti Top Weight Centrifugal Force ( Kg/F ) 60 Hz | Alt Ağırlık Santrüfüj Kuvveti Bottom Weight Centrifugal Force (50 Hz) | Alt Ağırlık Santrüfüj Kuvveti Bottom Weight Centrifugal Force (60 Hz) | Ağırlık / Weight (Kg) 50Hz |
Ağırlık / Weight (Kg) 60Hz |
Giriş Gücü Input / Power (W) 50 Hz | Giriş Gücü Input / Power (W) 60 Hz | Nominal Akım / Nom. Current (A) 220 V 50 Hz | Nominal Akım / Nom. Current (A) 115 V 60 Hz | A / INnt (A) 220v - 50Hz |
IA / INnt (A) 220v - 60Hz |
| AFV 80/15 | 10 | 40 | 39 | 40 | 39 | 7,0 | 6,5 | 85 | 95 | 0,33 | 0,33 | 1,78 | 1,95 |
| AFV 200/15 | 20 | 105 | 108 | 73 | 108 | 15,0 | 14,3 | 170 | 170 | 0,24 | 0,20 | 2,34 | 2,75 |
| AFV 400/15 | 30 | 206 | 205 | 141 | 205 | 21,0 | 20,1 | 300 | 350 | 0,41 | 0,40 | 3,33 | 3,50 |
| AFV 550/15 | 30 | 278 | 298 | 206 | 298 | 22,0 | 20,6 | 300 | 350 | 0,60 | 0,60 | 3,33 | 3,50 |
| AFV 700/15 | 40 | 361 | 381 | 264 | 381 | 27,0 | 25,5 | 525 | 665 | 0,60 | 0,60 | 3,48 | 3,43 |
| AFV 1100/15 | 40 | 525 | 490 | 525 | 490 | 38,0 | 33,0 | 900 | 1050 | 1,45 | 1,50 | 4,10 | 4,20 |
| AFV 1710/15 | 50 | 895 | 321 | 878 | 354 | 45,5 | 42,5 | 1100 | 1200 | 1,45 | 1,50 | 4,29 | 4,89 |
| AFV 2000/15 | 50 | 1020 | 358 | 1020 | 392 | 47,0 | 46,5 | 1350 | 1450 | 2,00 | 1,90 | 4,30 | 4,90 |
4 poles 1500 rpm-50 Hz / 1800 rpm - 60 Hz
| Model / Type | Gövde / Size | A | ØB | ØC | ØD | ØH | N | E | F | G | QI | L | M | ØP | KABLO RAKORU / CABLE GLAND |
| AFV 80/15 | 10 | 232.5 | 211 | 93.5 | 188 | 12.5 | 4 | 98 | 33 | 10 | 65 | 107 | 71.5 | 98 | PG 11 |
| AFV 200/15 | 20 | 288 | 215 | 120 | 188 | 12.5 | 4 | 129 | 42 | 12 | 79 | 128 | 80 | 120 | PG 11 |
| AFV 400/15 | 30 | 305.5 | 245 | 148 | 188 | 12.5 | 6 | 138 | 42 | 12 | 86 | 155 | 81.5 | 145 | PG 11 |
| AFV 550/15 | 30 | 322 | 245 | 148 | 205 | 12.5 | 6 | 138 | 57 | 12 | 86 | 155 | 98 | 145 | PG 11 |
| AFV 700/15 | 40 | 406 | 290 | 158 | 205 | 16.5 | 6 | 176 | 60 | 12 | 102.5 | 244 | 115 | 170 | M20X1,5 |
| AFV 1100/15 | 40 | 406 | 290 | 178 | 250 | 16.5 | 6 | 176 | 60 | 12 | 102.5 | 244 | 115 | 170 | M20X1,5 |
| AFV 1710/15 | 50 | 485.5 | 290 | 203 | 250 | 16.5 | 6 | 214 | 70 | 12 | 129 | 284 | 132.5 | 180 | M20X1,5 |
| AFV 2000/15 | 50 | 485.5 | 290 | 203 | 250 | 16.5 | 6 | 214 | 80 | 12 | 129 | 284 | 132.5 | 180 | M20X1,5 |
Other Products